Product Summary
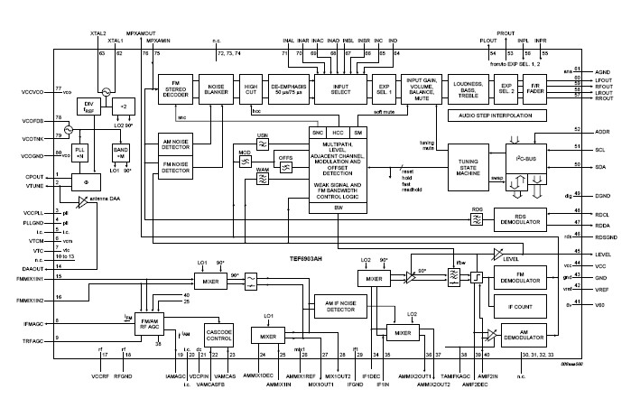
The TEF6903AH is a Integrated car radio. The TEF6903AH is a single-chip car radio integrated circuit with FM/AM tuner, stereo decoder, weak signal processing and audio processing. Radio Data System (RDS)/Radio Broadcast Data System (RBDS) demodulator for radio data reception is included. FM tuner with double conversion to IF1 = 10.7 MHz and IF2 = 450 kHz with integrated image rejection for both IF1 and IF2; integrated channel filter with variable bandwidth control; capable of US FM, Europe FM, Japan FM and Eastern Europe FM. AM tuner with double conversion to IF1 = 10.7 MHz and IF2 = 450 kHz; capable of Long Wave (LW), Medium Wave (MW) and full range Short Wave (SW) (11 m to 120 m bands). Multiplex (MPX) stereo decoder, ignition noise blanker and extensive weak signal processing. Audio processing with flexible source selection, volume, balance, fader, input gain control and inaudible tuning mute. The application of an external processor is possible. Integrated audio filters for bass and treble and loudness control function.
Parametrics
TEF6903AH absolute maximum ratings: (1)analog supply voltage on pins VCC,VCCPLL, VCCVCO, VCCRF,AMMIX2OUT1, AMMIX2OUT2, MIX1OUT1 and MIX1OUT2 : -0.3 to +10 V; (2) voltage difference between any VCC pins : -0.3 to +0.3 V; (3) supply voltage for FM filter and demodulator : -0.3 to VCC + 0.3 V; (4)digital input voltage on pins SCL, SDA and ADDR : -0.3 to +5.5 V; (5)voltage on all other pins : -0.3 to VCC + 0.3 V; (6)storage temperature : -40 to +150 ℃; (7)junction temperature : +150 ℃; (8)ambient temperature : -40 to +85 ℃.
Features
TEF6903AH features: (1)FM Radio Frequency (RF) front-end with large dynamic range; (2)Integrated FM channel filter with controlled bandwidth; (3)Fully integrated FM demodulator; (4)Fully integrated stereo decoder with high immunity for birdy noise; (5)FM noise blanker with adaptive detection at MPX and level; (6)Signal quality detection: level, AM wideband, frequency deviation, ultrasonic noise/adjacent channel; (7)FM weak signal processing: stereo blend, high cut control and soft mute; (8)AM RF Automatic Gain Control (AGC) circuit for external cascode AGC and Positive Intrinsic Negative (PIN) diode AGC; (9)Dual AM noise blanking system; (10)AM weak signal processing: high cut control and soft mute; (11)Low phase noise local oscillator; (12)In-lock detection for optimized adaptive Phase-Locked Loop (PLL) tuning speed; (13)Crystal oscillator reference with low harmonics; (14)Inaudible soft slope tuning mute for AM and FM; (15)Sequential state machine supporting each tuning action; (16)Integrated RDS/RBDS radio data demodulator; (17)Flexible audio input source selection; (18)Integrated audio processing and tone filtering; (19)Treble, bass and loudness tone control; (20)Volume, balance, fader and input gain control; (21)Optional connection of external sound processor, navigation voice or beep input; (22)Audio controls with Audio Step Interpolation (ASI) for pop-free function; (23)Compact Disc (CD) dynamics compression; (24)Volume Unit (VU)-meter audio level read-out.
Diagrams

| Image | Part No | Mfg | Description | ![]() |
Pricing (USD) |
Quantity | ||||||||||||
|---|---|---|---|---|---|---|---|---|---|---|---|---|---|---|---|---|---|---|
![]() |
![]() TEF6903AH/V2 |
![]() NXP Semiconductors |
![]() Tuners TUNER ASP ONECHIP |
![]() Data Sheet |
![]() Negotiable |
|
||||||||||||
![]() |
![]() TEF6903AH/V2,518 |
![]() NXP Semiconductors |
![]() Tuners TUNER ASP ONECHIP |
![]() Data Sheet |
![]() Negotiable |
|
||||||||||||
![]() |
![]() TEF6903AH/V5S,557 |
![]() NXP Semiconductors |
![]() Tuners INTEGRATED CAR RADIO |
![]() Data Sheet |
![]()
|
|
||||||||||||
![]() |
![]() TEF6903AH/V5S,518 |
![]() NXP Semiconductors |
![]() Tuners INTEGRATED CAR RADIO |
![]() Data Sheet |
![]()
|
|
||||||||||||
![]() |
![]() TEF6903AH/V2-T |
![]() NXP Semiconductors |
![]() Tuners TUNER ASP ONECHIP |
![]() Data Sheet |
![]() Negotiable |
|
||||||||||||
![]() |
![]() TEF6903AH/V2,557 |
![]() NXP Semiconductors |
![]() Tuners TUNER ASP ONECHIP |
![]() Data Sheet |
![]() Negotiable |
|
||||||||||||
(China (Mainland))









